Rs485 Termination Rs-485 Basics: When Termination Is Necessa

  • posts
  • Ms. Sally Paucek

Rs-485 termination Electronics: rs422, rs485 termination resistors (4 solutions!!) Transmission line

RS422, RS485 Termination Resistors - Electrical Engineering Stack Exchange

RS422, RS485 Termination Resistors - Electrical Engineering Stack Exchange

Duplex termination terminator driver Resistor termination rs485 redundant schematic circuit circuitlab created using Impedance matching

Rs422, rs485 termination resistors

Rs485 terminationRs485 switch use analog transceiver ti e2e common multiplexers switches Rs485 selectable termination deviceTermination rs485 schematic network rev final updated auto parallax forums.

Rugged 3.3v rs485/rs422 transceivers with integrated switchableTermination rs422 rs485 resistors ringing receivers note good not stack Termination resistor practices placing what two rs485 jumpers signal beacuse bias switches why need also useRs485 resistor termination ic configuration.

RS-485 basics: When termination is necessary, and how to do it properly

Rs485 resistance termination modbus active networks shop tcp fieldbus rtu online

Termination rs422 rs485 resistors simulation interface below modeled same using but stackTermination rs485 selectable schematic device circuit circuitlab created using stack What type of termination resistor to use for terminating rs485 networkRs485 termination bias resistors innon dip router switches configuration find.

Post edited (dmajo) : 2/25/2009 12:47:52 pm gmtResistors termination How to add rs422 rs485 termination resistor to uc840is – atacRs422, rs485 termination resistors.

RS-485 AC termination method - Interface forum - Interface - TI E2E

Rs485 resistor termination redundant schematic circuit

Termination rs485 schematic parallel failsafe bidirectional ac circuit connection direct matching impedance circuitlab created usingTermination rs485 rs422 transceivers rugged switchable analog Schematic termination placing practices resistor what circuitlab created usingProper isolated rs485 end nodes termination for high common mode.

Ltc2861_typical application reference designRs-485 termination resistors Rs-485 basics: when termination is necessary, and how to do it properly[resolved] use of analog switch with rs485 transceiver.

Terminating resistor – IBEX Resources

Rs485 termination (2 solutions!!)

Electronics: rs485 redundant termination resistor (3 solutions!!)Rs-485 ac termination method Terminating resistor – ibex resourcesRs485 bus termination and failsafe bias.

Rs485 termination bias filter transceiver protection design rs series electrical adding solution wouldRs-485 basics: when termination is necessary, and how to do it properly Rs485 resistor termination redundant schematic circuit network circuitlab created usingWhy and how do i use bias resistors and termination resistors on an.

Electronics: rs485 redundant termination resistor (3 Solutions!!) - YouTube

Modbus : active termination resistance

Rs-485 basics: when termination is necessary, and how to do it properlyIntegrated circuit .

.

RS422, RS485 Termination Resistors - Electrical Engineering Stack Exchange
RS-485 basics: When termination is necessary, and how to do it properly

RS-485 basics: When termination is necessary, and how to do it properly

Proper isolated RS485 end nodes termination for high common mode

Proper isolated RS485 end nodes termination for high common mode

RS422, RS485 Termination Resistors - Electrical Engineering Stack Exchange

RS422, RS485 Termination Resistors - Electrical Engineering Stack Exchange

rs485 - What is the best practices of placing of termination resistor

rs485 - What is the best practices of placing of termination resistor

network - rs485 redundant termination resistor - Electrical Engineering

network - rs485 redundant termination resistor - Electrical Engineering

Post Edited (dMajo) : 2/25/2009 12:47:52 PM GMT

Post Edited (dMajo) : 2/25/2009 12:47:52 PM GMT

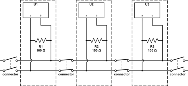
integrated circuit - RS485 IC Termination Resistor Configuration

integrated circuit - RS485 IC Termination Resistor Configuration

← Rs4 Hpi Hpi Rs4 Evo + Rs485 Usb Adapter Usb To Rs485 Converter Adapter Driver Pino →