Rj11 Wiring Diagram Wiring Diagram Rj11

  • posts
  • Ms. Sally Paucek

Wiring jack cat6 keystone rj11 Rj11 pinout diagram » wiring diagram Rj11 wiring diagram

Rj11 Wiring Diagram Australia

Rj11 Wiring Diagram Australia

Rj11 pin diagram » wiring diagram Wiring diagram rj11 11+ tele wiring diagram

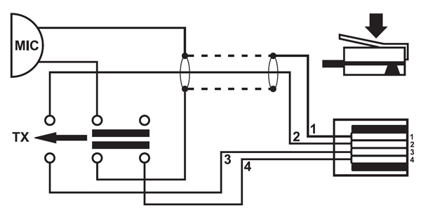
Rj11 to rj45 wiring diagram australia

Usb to rj11 wiring diagramRj11 wiring diagram phone jack cat cat5 telephone color using rj connection standard socket cable wire connector me code ethernet Serial to rj11 wiring diagram wiring diagram and schematicRj11 socket wiring diagram.

Serial to rj11 wiring diagramWiring diagram for rj11 Rj11 connector wiring diagramRj11 wiring socket rj45 telephone plug.

Rj11 To Rj45 Wiring Diagram Australia

Db9 to rj11 wiring diagram

Rj11 wiring cat5Rj11 wiring diagram 4 wires Wiring diagram for rj11 socketRj11 wiring diagram with 2 wires.

Rj11 wiring diagram with 2 wiresRj11 wiring diagram 2 wires Rj45 to rj11 wiring conversion diagramRj11 wiring pinout.

Rj11 Cable Rj11 Wiring Diagram - Esquilo.io

Rj11 connector wiring diagram

Rj11 wiring diagram australiaRj11 cable rj11 wiring diagram Rj11 wiring guideRj11 wiring diagram.

Rj11 wiring splitter telephoneRj11 hubs Serial rj11 magellan pinout datalogicHow to wire an rj11 connector: step-by-step guide.

Rj11 Connector Wiring Diagram - Goorganic

Rj11 rack wiring

Wiring diagram rj11Rj11 plug wiring diagram Wiring diagram for rj11Rj11 wiring diagram.

Rj11 rs232 db9 cable cblWiring diagram rj11 Rj11 wiring diagramRj11 wiring diagram.

RJ11 Wiring Diagram with 2 Wires

Serial to rj11 wiring diagram

Rj11 6 pin wiring diagram for your needs .

.

Rj11 Plug Wiring Diagram - babyinspire
Rj11 Wiring Diagram - Wiring Diagram

Rj11 Wiring Diagram - Wiring Diagram

Rj11 Wiring Diagram Australia

Rj11 Wiring Diagram Australia

Rj11 Wiring Diagram

Rj11 Wiring Diagram

Wiring Diagram For Rj11 Socket - Wiring Diagram

Wiring Diagram For Rj11 Socket - Wiring Diagram

Wiring Diagram Rj11 - Wiring Draw

Wiring Diagram Rj11 - Wiring Draw

Rj11 Connector Wiring Diagram

Rj11 Connector Wiring Diagram

Rj11 6 Pin Wiring Diagram For Your Needs

Rj11 6 Pin Wiring Diagram For Your Needs

← Rj11 To Usb Amazon.co.uk: Usb To Rj11 Adapter Rj45 A Or B What Is The Difference Between Rj45 Type A And B →